DB-N系列單線潤滑泵
| ||||||||||||||||||||||||||
|
二、技術參數
使用介質為錐入度不低于265(25℃,150g)1/10mm的潤滑脂或粘度等級大于N68的潤滑油,工作環境溫度為-20~80℃。 | ||||||||||||||||||||||||||
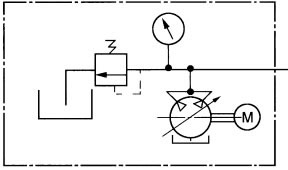
| 三、型號說明 | 四、圖形符號 | |||||||||||||||||||||||||
![]() |
| |||||||||||||||||||||||||
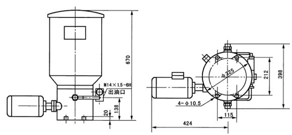
| 五、外形尺寸 |
||||||||||||||||||||||||||
![]() | ||||||||||||||||||||||||||
| 六、使用說明 | ||||||||||||||||||||||||||
| 1、多點潤滑泵應安裝在環境溫度合適,灰塵少,便于補脂檢查、維護保養等都方便的場合。 2、向貯油器內補脂必須使用加油泵從貯油器的加油口注入,嚴禁揭蓋加入不經過濾的工作介質。 3、按貯油器筒壁上旋向牌規定的旋向進行電機接線,不得反轉。 4、給油口數可在1~14 范圍內任意選擇,根據設備需要不用的柱塞泵元件可以自行拆下,螺孔用M20×1.5螺塞封堵即可。 | ||||||||||||||||||||||||||
上一個: SDRB-N雙列式電動潤滑脂泵 下一個: DDRB-N型多點潤滑泵



