DDB系列多點干油泵
| |||||||||||||||||||||||||
|
二、技術參數
| |||||||||||||||||||||||||
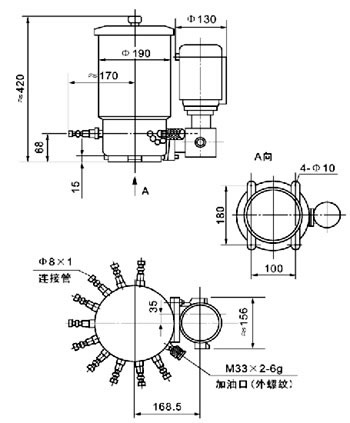
| 三、 外形尺寸 | |||||||||||||||||||||||||
![]() | |||||||||||||||||||||||||
| DDB-10多點干油泵 DDB-18、DDB-36多點干油泵 | |||||||||||||||||||||||||
| 四、型號標注說明 | |||||||||||||||||||||||||
![]() | |||||||||||||||||||||||||
| 五、使用說明 | |||||||||||||||||||||||||
| 1、該系列多點干油泵應安裝在環境溫度合適,灰塵少,便于補脂、調整、檢查、維護保養等都方便的場合。 2、DDB系列多點干油泵使用前先向一級減速箱內加入HL-20 齒輪油至油標規定液面。 3、向干油泵貯油器內補脂必須使用SJB-D60型手動加油泵或DJB-200型電動加油泵從貯油器的加油口加入,注意在貯油器內無潤滑脂時嚴禁啟動電機運轉。 4、按貯油桶壁上旋向牌規定的旋向進行電機接線,不得反轉。 5、加油口的過濾網精度不低于0.2mm,應定期清洗。 6、干油泵應經常保持清潔,嚴禁揭蓋補脂以免臟物進入泵體內,影響正常工作。 | |||||||||||||||||||||||||
上一個: DRB-J系列電動潤滑泵 下一個: DB、DBZ型單線干油泵及裝置



