PF-200型干油噴射閥
|
一、使用條件
適用于冶金、礦山、水泥、化工、造紙等行業的大型開式齒輪(如球磨機、回轉窯、挖掘機、高爐布料器等)以及鋼絲繩,鏈條的潤滑。它具有將潤滑劑超越一定的空間,定向、定量且均勻地噴射到摩擦表面的特點。 ![]() | |||||||||||||||||||
|
二、技術參數
使用介質為錐入度265~385(25℃,150g)1/10mm的潤滑脂(NLGI0#-1#)或粘度等級大于N120的工業潤滑油。 | |||||||||||||||||||
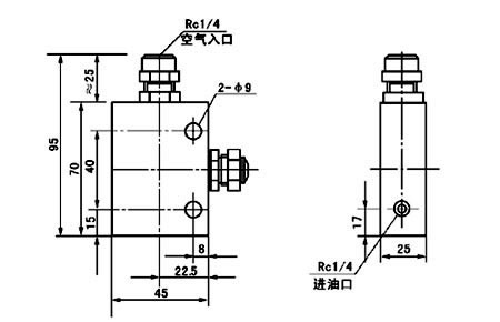
| 三、外形尺寸 |
|||||||||||||||||||
![]() | |||||||||||||||||||
|
四、使用說明 | |||||||||||||||||||
上一個:暫無 下一個: GJQ 型干油壓力表減震器


